Mid-rise Retrofit Project - Part 3. Retention of the structure and the façade

Geometric facade of a modern building with hexagonal window frames and angled design elements.

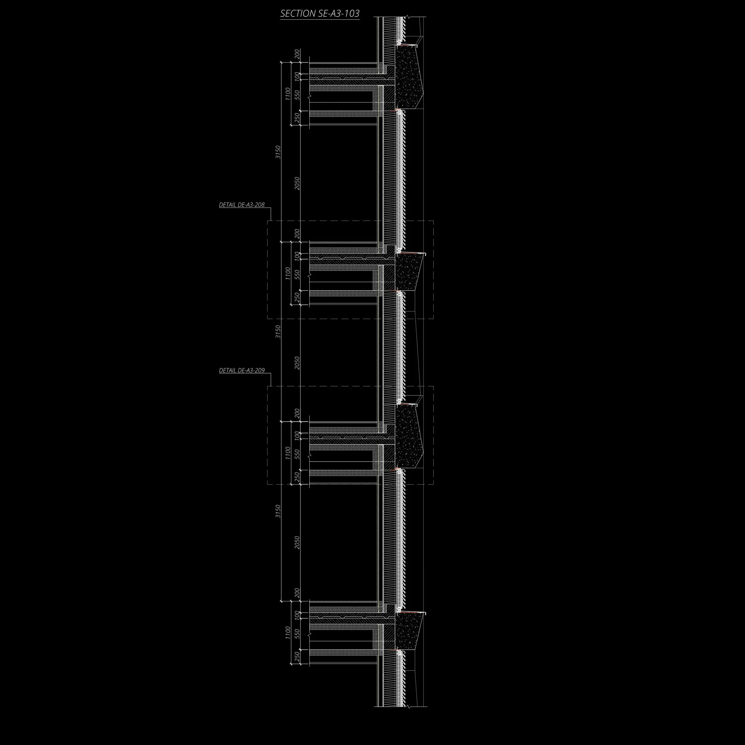
The third part looks at a strategy to retain both the façade and the structure, with improvements to the existing condition of the building through minimal design interventions. Windows are installed in the existing apertures of the precast concrete façade.

Professional development certificate in architectural science for a course on retrofitting precast concrete facades, issued by the Institute for Architectural Science and Technology, featuring a building facade design.

Test Your Kowledge - Get CPD Certificate

Learn more
VIDEOS
MODELS
TECHNICAL DOCUMENTATION